O.S. MAX silniki do łodzi
  • Obecnie brak na stanie

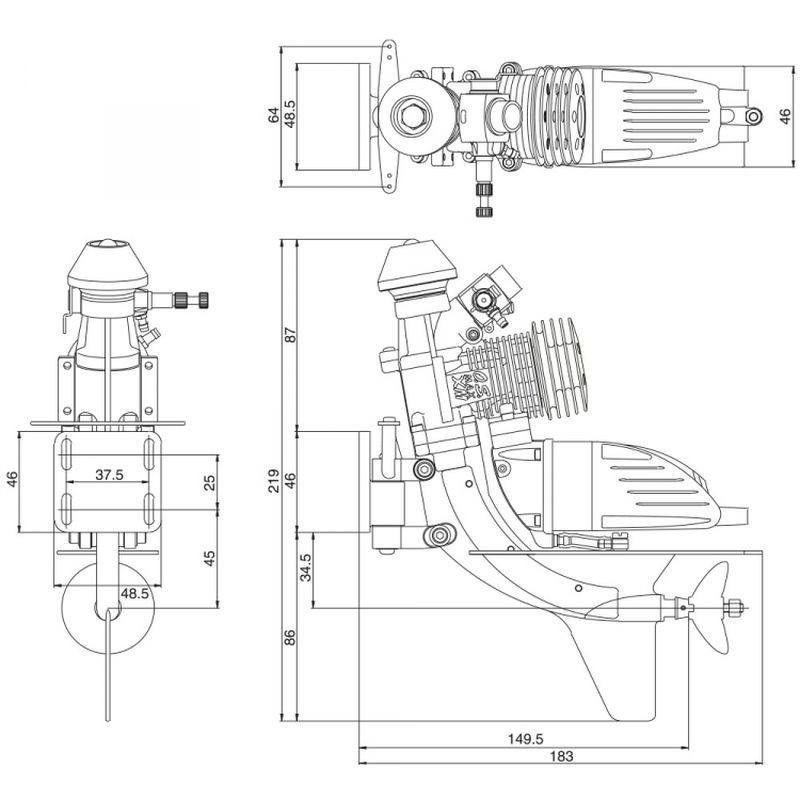
O.S. MAX SILNIK 21XM V2 zaburtowy do łodzi (13941)

12-9552
Produkt chwilowo niedostępny

Silnik spalinowy zaburtowy japońskiej formy O.S. Max do modeli łodzi.

Cechy:

  • Głowica jest teraz chłodzona powietrzem, co zapewnia optymalną temperaturę silnika w każdych warunkach
  • Tłumik V2 został przedłużony, aby generować większy moment obrotowy i moc
    Dzięki idealnie dopasowanemu rozrządowi portów, wylotom wydechowym, stopniowi sprężania i średnicy gaźnika, 21XM VII jest przeznaczony do zawodów od razu po wyjęciu z pudełka
  • Gaźnik 20J ma igły zarówno szybkie, jak i jałowe
  • Przewód ciśnieniowy wychodzący z tłumika zapewnia stały przepływ smarów do dolnej jednostki
  • Wysokość i kąt podpory można regulować niezależnie

Dane techniczne:

  • pojemność: 3,46 cm3
  • średnica tłoka: 16,6 mm
  • skok tłoka: 16 mm
  • moc: 1,28 KM przy 25 000 obr/min
  • zakres obrotów: 3 000 - 25 000
  • waga: 682 g

Zestaw zawiera:

  • silnik
  • świeca żarowa #8
  • tłumik
  • śruba napędowa P1,2 x 42 mm z włókna węglowego

*Postępuj zgodnie z dołączoną do produktu instrukcją obsługi.