O.S. MAX silniki do aut

O.S. MAX SILNIK R2105 z tłumikiem (1D901)

12-9585
Produkt na zamówienie. Zainteresowanych prosimy o kontakt na adres email: sklep@modelemax.pl

Silnik spalinowy japońskiej firmy O.S. Max do modeli aut.

Przedstawiamy serię OSSPEED R21 - szczyt w kategorii samochodów silnikowych !

Seria OS SPEED R21 zwyciężyła Mistrzostwach Świata rozgrywanych w Stanach Zjednoczonych. Większość części „R2105” została zaprojektowana na nowo, z myślą o kolejnych zwycięstwach.

Aby zwiększyć moment obrotowy na nawierzchniach o dużej przyczepności, zastosowano nowo zaprojektowaną tuleję z 9 otworami. Tradycyjny wał korbowy OS SPEED pokryty powłoką DLC zapewnia liniową moc od niskiego do najwyższego poziomu poprzez zmianę przeciwwagi. Zewnętrzna głowica została wykończona na lustro.

Dane techniczne:

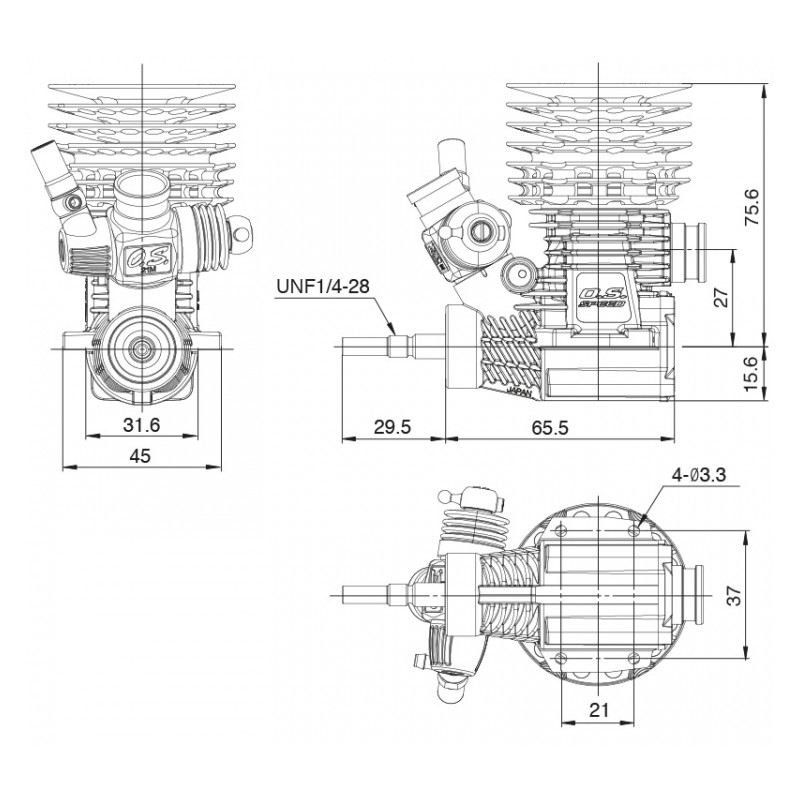
  • pojemność: 3,49 cm3
  • średnica tłoka: 16,08 mm
  • skok tłoka: 17,20 mm
  • moc: 2,76 KM przy 35 000 obr/min
  • zakres obrotów: 4 000 - 45 000
  • waga: 345 g

Zestaw zawiera:

  • silnik
  • tłumik
  • świeca żarowa P3
  • kolektor wydechowy OSSpeed ​​​​EFRA 2165 TR02 i kolektory wydechowe MR02

*Postępuj zgodnie z dołączoną do produktu instrukcją obsługi.