Motory automobilů O.S. MAX

O.S. MAX ENGINE R21GT II s tlumičem hluku (1DT01)

12-9594
Produkt je k dispozici na vyžádání. V případě zájmu nás kontaktujte na e-mailu: sklep@modelemax.pl

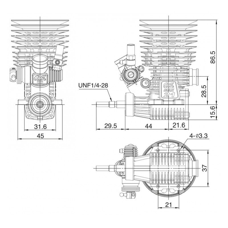
Spalovací motor od japonské společnosti O.S. Max pro modely aut.

Technické údaje:

  • objem: 3,49 cm3
  • průměr pístu: 16,08 mm
  • zdvih pístu: 17,20 mm
  • výkon: výkon: 2,65 k / 2,61 k při 34 000 ot/min
  • rozsah otáček: 4 000 - 42 000
  • hmotnost: 362 g

Sada obsahuje:

  • motor
  • tlumič výfuku TB01 (EFRA2042) a výfukové potrubí MB01-70
  • žhavicí svíčku RP6

*Postupujte podle pokynů dodaných s výrobkem.