Motory automobilů O.S. MAX

O.S. MAX ENGINE B21 EURO II s tlumičem hluku (1DR01)

12-9592
Produkt je k dispozici na vyžádání. V případě zájmu nás kontaktujte na e-mailu: sklep@modelemax.pl

Spalovací motor od japonské společnosti O.S. Max pro modely aut.

Tento motor zdědil plynulost a snadnou obsluhu po svém předchůdci OS SPEED R21 EURO Spec. Přepracováním protiváhy klikového hřídele se zlepšil průběh výkonu v nízkých a středních otáčkách. Zlepšilo se také plynulé řazení a stabilita při volnoběhu a optimální výkon je patrný i na dlouhých a náročných závodních tratích. V návaznosti na předchozí model byly vylepšeny všechny díly včetně vnější hlavy s novou konstrukcí, která zlepšuje chladicí výkon.

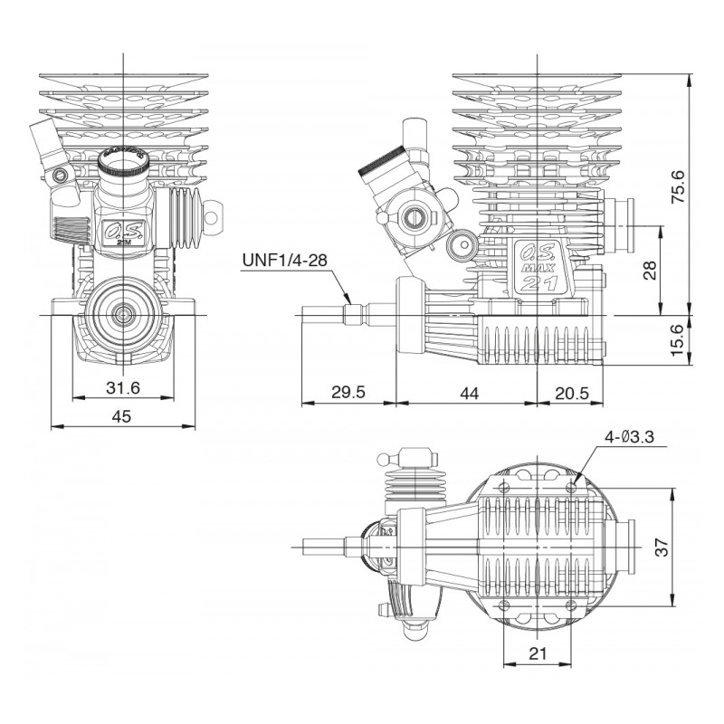
Technické údaje:

  • objem: 3,49 cm3
  • průměr pístu: 16,08 mm
  • zdvih pístu: 17,20 mm
  • výkon: výkon: 2,76 k při 35 000 ot/min
  • rozsah otáček: 4 000 - 45 000
  • hmotnost motoru: 340 g

Sada obsahuje:

  • motor
  • žhavicí svíčku RP7
  • tlumič TR01 (EFRA2098) + rozdělovač MR02
  • prachová krytka

*Postupujte podle pokynů dodaných s výrobkem.