Motory automobilů O.S. MAX

O.S. MAX ENGINE B21 ONGARO s tlumičem hluku (1DL01)

12-9590
Produkt je k dispozici na vyžádání. V případě zájmu nás kontaktujte na e-mailu: sklep@modelemax.pl

Spalovací motor japonské společnosti O.S. Max pro modely aut.

Davide Ongaro, mistr světa IFMAR 1/8 Engine Off-Road, podepsal smlouvu se společností OS SPEED na období od roku 2021. Tentokrát vznikl "OS SPEED B21 ONGARO EDITION", který byl upraven podle jeho smyslu pro ! Vychází z nejnovějšího off-roadového motoru OS SPEED B2104 - klikový hřídel byl změněn na protiběžný tvar a používá jeden wolframový vážený klikový hřídel, speciálně navržený pro tento motor, aby odpovídal jeho jízdnímu stylu. Vnitřní hlava má rovněž speciálně navrženou spalovací komoru a jejich synergický efekt zajišťuje hladký chod a výkonnější horní konec. Vnější hlava má navíc standardní kulatý tvar a laserové označení originálním logem ONGARO vytváří závodní pocit. Karburátor je také vybaven novým černě eloxovaným reduktorem φ5,8 mm / φ6,3 mm, který vytváří "motor, který může vyhrávat velké závody".

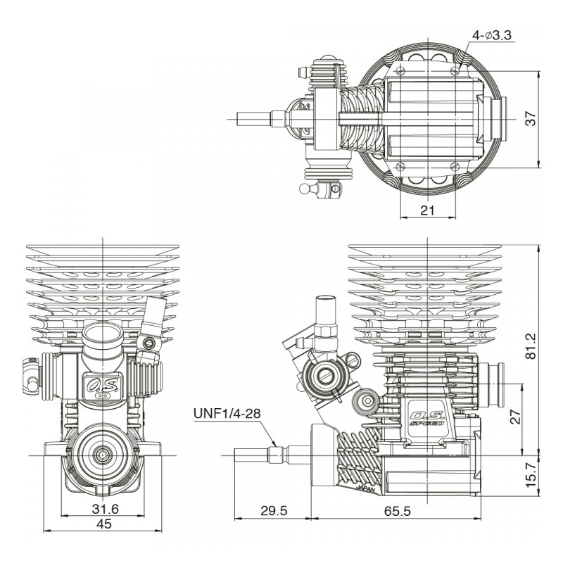
Technické údaje: Váha motoru je 1,5 l:

  • objem: 3,49 cm3
  • průměr pístu: 16,27 mm
  • zdvih pístu: 16,80 mm
  • výkon: výkon: 2,68 k / 2,64 k při 34 000 ot/min
  • rozsah otáček: 4 000 - 42 000
  • hmotnost motoru: 352 g

Sada obsahuje:

  • motor
  • tB-02 (EFRA 2089) tlumič hluku + rozdělovač MB01-75
  • žhavicí svíčka T-P3
  • prachová krytka

*Postupujte podle pokynů dodaných s výrobkem.