Motory automobilů O.S. MAX

O.S. MAX ENGINE B21 RONDA DRAKE EDITION 2 (OS1CJ02)

12-9578
Produkt je k dispozici na vyžádání. V případě zájmu nás kontaktujte na e-mailu: sklep@modelemax.pl

Spalovací motor od japonské společnosti O.S. Max pro modely aut.

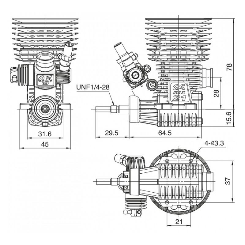
Technické údaje:

  • objem: 3,49 cm3
  • průměr pístu: 16,4 mm
  • zdvih pístu: 16,55 mm
  • výkon: výkon: 2,65 k / 2,61 k při 34 000 ot
  • rozsah otáček: 4 000 - 42 000
  • hmotnost motoru: 350 g

Sada obsahuje:

  • motor
  • žhavicí svíčku P3
  • prachová krytka

*Postupujte podle návodu k použití dodaného s výrobkem.